ZW20-12 户外高压智能型柱上断路器
概述
TEZW20-12 SF₆柱上真空断路器是SF₆ 户外高压交流分界真空断路器(以下简称柱 上分界断路器),是公司制造生产的的三相交流50Hz, 额定电压12kV的户外柱上高压 开关设备。
主要由真空断路器本体,配电自动化馈线终端 (FTU), 电压互感器及控制电缆等 部分组成,断路器本体内有真空灭弧室,电流互感器,零序电流互感器等组件。
断路器具有远程管理模式,保护控制功能及通讯功能,能可靠判断、检测柱上分界 断路器的变电站,工矿企业,城市和农村电网作为控制和保护之目的,特别适用于需要 频繁操作的场所和城市毫安级零序电流及相间故障短路电流,实现自动切除单相接地故 障和相间短路故障。
本产品SF₆ 柱上断路器采用真空灭弧和SF₆ 气体绝缘,箱体采用技术先进的气体密 封,防爆,绝缘结构技术,整体密封性能优良,是一种免维护产品,其弹簧操作机构采 用小型化设计,动作可靠性准确良好。
型号及含义

使用环境条件
■周围空气温度:-35℃℃~+40℃;
■海拔高度:≤1000 m(超过 1000m 则按 GB/T11022-2011有关条款,或与用户协商)
■污染等级:Ⅲ级;
■风速:不超过 34m/s,即风压不少过 700Pa;
■湿度:相对湿度日平均值不大于 95%,月平均值不大于90%:
■安装场所:无火灾、无爆炸危险、无化学腐蚀性气体及通风的场所
■安装地点无剧烈震动,地震烈度不超过 8级。
技术参数
名称 | 单位 | 参数 |
额定电压 | kV | 12 |
额定频率 | Hz | 50 |
额定电流 | A | 630 |
额定短路开断电流 | kA | 20 |
额定关合电流峰值 | kA | 50 |
额定动稳定电流蜂值 | kA | 50 |
4s热稳定电流 | kA | 20 |
额定操作顺序 | 分-0.3s-合分-180s-合分 | |
额定储能电机电压 | V | AC220 |
最高/最低储能电机电压 | V | AC242/87 |
额定合闸操作电压 | V | AC220 |
最高/最低合闸操作电压 | V | AC264/43 |
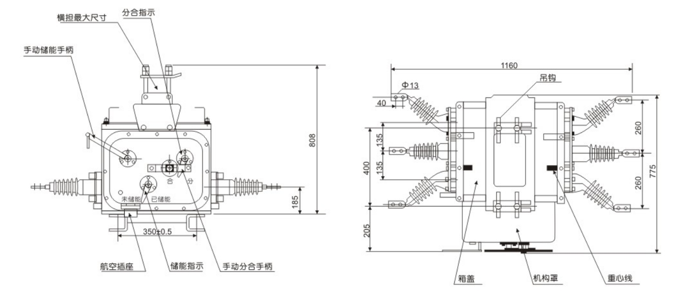
外形尺寸图

- ← Previous:没有了
- ZW32-12 户外高压一次和二次融合柱上断路器 :Next →
天力普电力科技有限公司