概述
ZW7-40.5型户外高压真空断路器用于交流50Hz、电压40.5kV的三相电力系统,作为分断、关合负荷电流、过载电流及短路电流之用。
产品型号及含义

使用环境条件
1、周围空气温度:上限+40℃,下限-30℃;
2、海拔:≤1000m(若需增高海拔,则额定绝缘水平相应提高);
3、风压:不超过700Pa(相当于风速34m/s);
4、振幅:地震烈度8度;
5、污秽等级:Ⅲ级;
6、最大日温度差:不超过25℃
技术参数
项目 | 单位 | 参数 | ||
额定电压 | kV | 40.5 | ||
额定绝 | 工频耐受电压 | 干式 | 95 | |
湿式 | 80 | |||
雷电冲击耐压(峰值) | 185 | |||
额定电流 | A | 1250、1600、2000 | ||
额定短路开断电流 | kA | 20、25、31.5 | ||
额定操作顺序 | 分-0.3s合分-180s合分 | |||
额定短路电流开断次数 | 次 | ≥30 | ||
额定短路关合电流(峰值) | kA | 50、63、80 | ||
额定峰值耐受电流 | ||||
额定短时耐受电流 | kA | 20、25、31.5 | ||
额定短断路持续电流 | S | 4 | ||
平均分闸速度 | m/s | 1.5±0.2 | ||
平均合闸速度 | 0.7±0.2 | |||
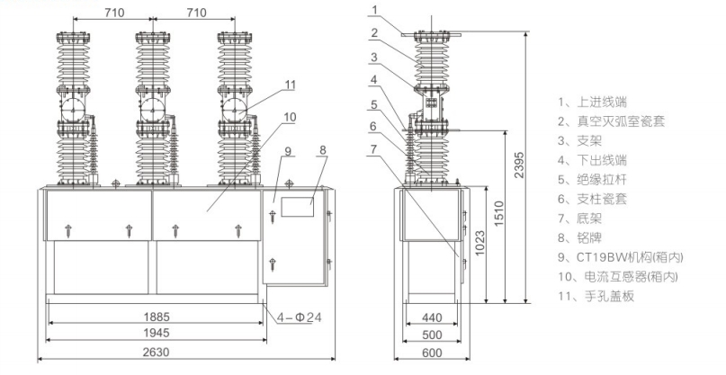
安装示意图

- ← Previous:FZW28-12 户外高压一次和二次融合柱上断路器
- ZW8-12 户外高压交流真空断路器 :Next →
天力普电力科技有限公司